项目(Items) | FL25HSV05 | FL25HSV09 | 公差(Tolerance) |
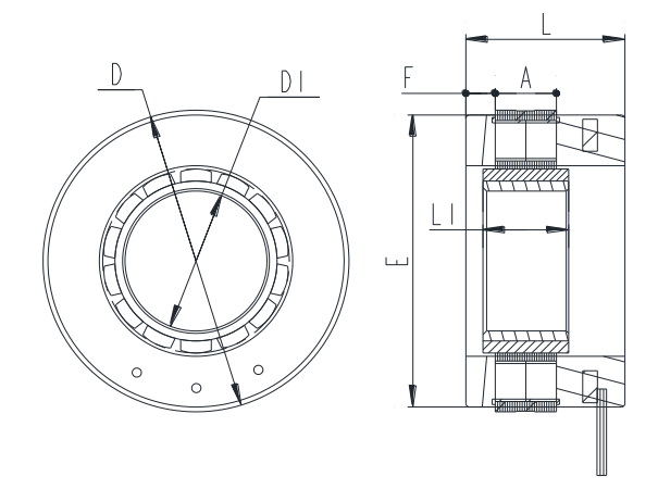
定子外径D | 25mm | 25mm | ±0.016(js8) |
定子长度L | 13mm | 17.2mm | 0/-1 |
转子内径D1 | 11.6mm | 11.6mm | (+0.018/0)H7 |
转子长度L1 | 7mm | 11mm | +0.1/0 |
灌胶面外圆E | 24.2mm | 24.2mm | 0/-0.2 |
灌胶面高度F | 2.4mm | 2.4mm | ±0.1 |
定子铁芯高度A | 5mm | 9.2mm | +0.2/-0.1 |
特性概要 ( General Specifications )
绕组连接方式 ( Winding Type ) | 星形 ( Star connection) |
介电强度 ( Dielectric Strength ) | 600VAC/1S.2mA |
绝缘电阻 ( Insulation Resistance ) | 100MΩ, 500VDC |
环境温度 ( Ambient Temperature ) | -20°C ~ +50°C |
绝缘等级 (Insulation Class) | ClassF |
接线说明(Electric Connection)
引出线颜色 Color | 引出线型号 Type | 功能 Functions |
黄色 ( Yellow ) | ARF250 0.35mm^2 AWG22 | U相 ( Phase U ) |
红色 ( Red ) | V相 ( Phase V ) | |
黑色 ( Black) | W相 ( Phase W ) |
电性能 (Electrical Specifications)
单 位 (Unit) | FL25HSV05-24V-10025 | FL25HSV09-24V-10050 | |
极数 ( Number of poles ) | 14 | 14 | |
相数 ( Number of phases ) | 3 | 3 | |
额定电压 ( Rated voltage ) | VDC | 24 | 24 |
额定转矩 ( Rated torque) | mN.m | 32 | 63 |
额定电流(Rated current) | A | 1.5 | 3 |
额定速度 ( Rated speed ) | RPM | 10000 | 10000 |
额定功率 ( Rated power ) | W | 33 | 65 |
最大转速(Maximum speed) | RPM | 13000 | 13000 |
峰值转矩 ( Peak torque ) | N.m | 105 | 204 |
峰值电流 ( Peak current ) | A | 5 | 9.8 |
线电阻 ( Line to line resistance ) | ohms@20℃ | 1.7 | 0.77 |
线电感 ( Line to line inductance ) | mH | 0.6 | 0.28 |
转矩常数 ( Torque constant ) | mNm/A | 21.5 | 21.5 |
反电势 ( Back EMF ) | Vrms/KRPM | 1.3 | 1.3 |
重量 ( Weight ) | g | 18 | 28.5 |
电气时间常数(Electrical time constant) | ms | 0.35 | 0.36 |
根据要求,该款电机可以设计和制造成定制的类型。

Copyright 2023 版权所有 江苏富兴电机技术股份有限公司