电气特性
| 科目 Item | 参数 Spec |
| 磁编码器 Magnetic Encoder | 2 pcs |
| 额定电压 Rated Voltage | 48V |
| 使用电压范围 Voltage Range | 15-60V |
| 额定输出功率 Rated Output Power | 700w ±10% |
| 额定扭矩 Rated Torque | 40N.m |
| 峰值扭矩 Peak Torque | 120N.m |
| 运转方向 Running Direction | CW/CCW |
| 使用温度范围 Temperature Range | -20~50℃ |
| 使用湿度范围 Humidity Range | 5~85% |
| 保存温度范围 Storage Temperature Range | -30~70℃ |
| 绝缘等级 Insulation Level | Class B |
| 空载转速 No-load Speed | 200 rpm ± 10% |
| 空载电流 No-load Current | 0.7 Arms ±10% |
| 额定负载转速 Rated Load Speed | 167 rpm ± 10% |
| 额定负载相电流 Rated Load Phase Current | 27Apk ± 10% |
| 峰值相电流 Peak Phase Current | 90Apk ± 10% |
| 绝缘电阻/定子绕组 Insulation Resistance/ Stator Winding | DC 500VAC,100M 0hms |
| 耐高压/定子与机壳 High Voltage Resistance/ Stator and Casing | 600VAC, 1s, 2mA |
| 电机反电势 Back-EMF | 16.9 Vrms/krpm ±10% |
| 线电阻 Line Resistance | 0.16Ω ± 10% |
| 转矩常数 Torque Constant | 2.1N.m/Arms |
| 电机电感 Inductance | 0.211mH ±10% |
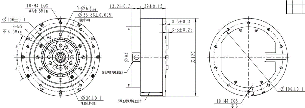
机械参数
| 科目 Item | 参数 Spec |
| 重量 Weight | 1420g |
| ±20g | |
| 极数 Pole | 42 |
| 相数 Phase | 3 |
| 驱动方式 Drive Method | FOC |
| 减速比 reduction ratio | 9:01 |
性能曲线(TBD)

最大过载曲线
| 负载 Load (N.m) | 工作时间 Operating Time (s) |
| 40 | rated |
| 46 | 2500 |
| 70 | 350 |
| 80 | 160 |
| 120 | 10 |


Copyright 2023 版权所有 江苏富兴电机技术股份有限公司