特点:
1、采用32位电机控制专用芯片
2、输入电压9VDC~30VDC,宽电压输入
3、支持多种调速模式(PWM\模拟量)
4、具备启停、正反转、刹车等控制功能
5、高精度的速度、电流双闭环控制
6、采用有感FOC正弦波控制技术,相比方波控制,降低了噪音和转矩脉动
7、相比无感FOC,有感FOC能够解决启动定位时的轻微抖动,启动更加稳定可靠
8、具有过压、欠压、过流、过温、堵转等保护功能
9、超高性价比,经济高效
10、可接受定制化
典型案例:
广泛应用于各种中小型自动化设备和仪器,例如:电子加工设备、3C非标自动化设备、锁螺丝机、剥线机、绕线机、端子机、激光机、打标机、喷绘机、中小型雕刻机、自动抓取设备、专用数控机床、包装设备和机器人等。
产品概述:
它采用32位专用电机控制芯片,集成度高、体积小、拥有完善的保护措施。该电机采用新型的PWM控制技术,使无刷电机运行具有转度高、振动小、噪声低、平稳性好等优点。
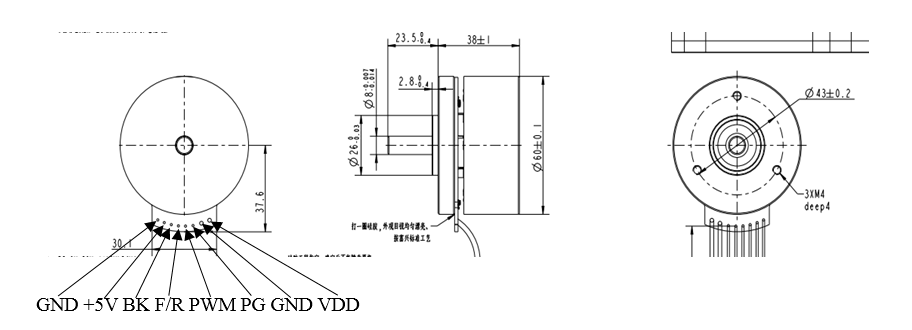
控制端口(JST B08B-PASK 8引脚)
引脚号 | 信号 | 功能 | 说明 |
1 | GND | 传感器电源地 | 传感器电源地,与主电源共地 |
2 | +5V | 传感器+5V电源 | 传感器+5V电源,输出电流<=30mA |
3 | BK | 刹车信号 | 悬空或接高电平无效(1.7V~24V) 接低电平刹车有效(0V~0.8V) |
4 | F/R | 方向信号 | CW\CCW高低电平极性可软件配置 高电平(1.7V~24V) 低电平(0V~0.8V) |
5 | SV/PWM | 调速信号 | 模拟量调速:0.5V~4.5V, PWM调速: 负占空比有效 0~5%全速 5~95%线性调速 95~100%停止 |
6 | PG | 转速信号 | TTL-5V电平,1脉冲/1对极/转 |
7 | GND | 电源负极 | 电源输入负端 |
8 | VDD | 电源正极 | 电源输入正端,输入电压9V~30Vdc |

Copyright 2023 版权所有 江苏富兴电机技术股份有限公司