星空外围足球网(

φ20系列永磁直线步进电机
产品中心 PM步进电机

φ20系列永磁直线步进电机

富兴步进电机提供高性能的两相及三相混合式步进电机,有多种尺寸和输出扭矩,单极性或双极性控制以及单轴或双轴。产品分为标准型,力矩增强型,高防护型等,可以充分满足不同用户的各种应用需求。
选件:
  • φ20系列永磁直线步进电机

    编码器

  • φ20系列永磁直线步进电机

    齿轮箱

  • φ20系列永磁直线步进电机

    接插件

  • φ20系列永磁直线步进电机

    刹车

1、技术规格:

绕组类型

单\双极性

电机结构

固定轴式、贯通轴式、外部驱动式

步距角

7.5

15

工作电压

V

5

12

5

12

每相电流

mA

370

160

370

160

每相电阻

Ω

13.5

74.5

13.5

76

每相电感

mH

6.5

38.5

4

25

步长

mm

0.0127

0.0254

0.0254

0.0508

0.0508

0.1016

注:参数可以根据客户要求订制。可选丝杆直径① 3.5 可选导程① 0.3048、0.6096、1.0、1.2192、2.0、2.4384、4.0、8.0......(mm);步长=(步距角度/360)*导程(mm)


2、步进速度与推力曲线:

image


image


image


image

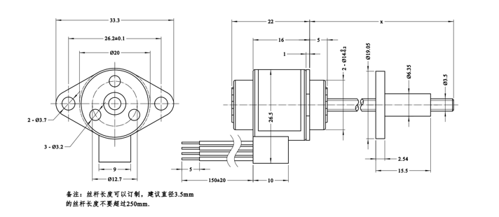
电机尺寸

1、固定轴式

image


image


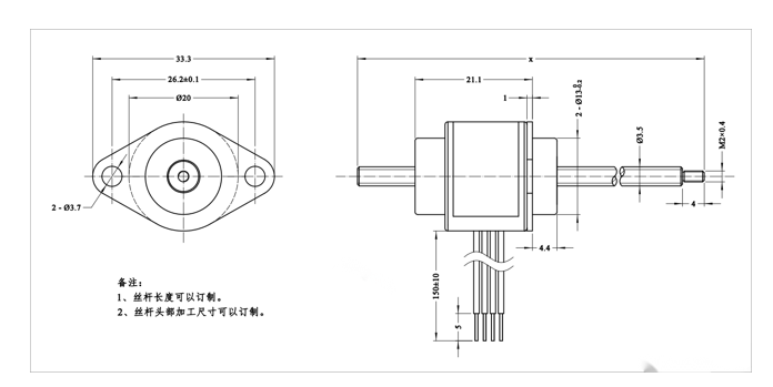
2、贯通轴式

image


image


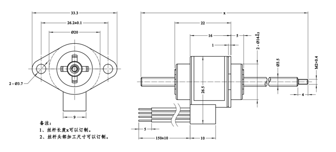
3、外驱式

image


image

资料下载

Copyright 2023 版权所有 江苏富兴电机技术股份有限公司