星空外围足球网(

FL42STC
Product Stepper motor with integrated connector

FL42STC

1.8 ° 42mm, Nema 17, STC structure with built-in plug-in stepper motor
option:
  • FL42STC
  • FL42STC
  • FL42STC
  • FL42STC

特性概要(General specification)

项目(Item)

说明(Specifications)

步距角(Step Angle)

1.8°

步距角精度(Step Angle Accuracy)

±5% (整步无负载,full step, no load)

径向间隙( Radial Play)

0.02mm@450 g

轴向间隙( Axial Play)

0.08mm@450 g

最大径向负载(Max. radial force)

28N  距法兰20mm  (20mm from the flange)

最大轴向负载(Max. axial force)

10N  

介电强度(Dielectric Strength)

600VAC / 1s

绝缘电阻(Insulation Resistance)

100MΩ ,500VDC

环境温度(Ambient Temperature)

-20。C~+50。C

绝缘等级(Insulation Class)

Class B


电性能(Electrical specifications)

型号(Model No.)

Current

/Phase

每相

电流

Resistance

/Phase

每相

电阻

Inductance

/Phase

每相

电感

Holding

Torque

保持

转矩

Detent

Torque

定位

转矩

# of Leads

引出线数

Rotor

Inertia

转动惯量

Weight

重量

Length

机身

长度

Single shaft

(单出轴)

A

Ω

mH

N.m

N.m

#

g-cm2

kg

mm

FL42STC33-0956A

0.95

4.2

2.5

0.16

0.012

6

35

0.22

33.5±1

FL42STC33-1334A

1.33

2.1

2.5

0.22

4

FL42STC38-1206A

1.2

3.3

3.2

0.26

0.015

6

54

0.28

39.5±1

FL42STC38-1684A

1.68

1.65

3.2

0.36

4

FL42STC47-1206A

1.2

3.3

2.8

0.317

0.02

6

68

0.35

47.5±1

FL42STC47-1684A

1.68

1.65

2.8

0.44

4

FL42STC60-1206A

1.2

6

7

0.56

0.028

6

102

0.5

60±1


该款电机可以根据客户需求定制。

The motor can be designed &manufactured with customized request.


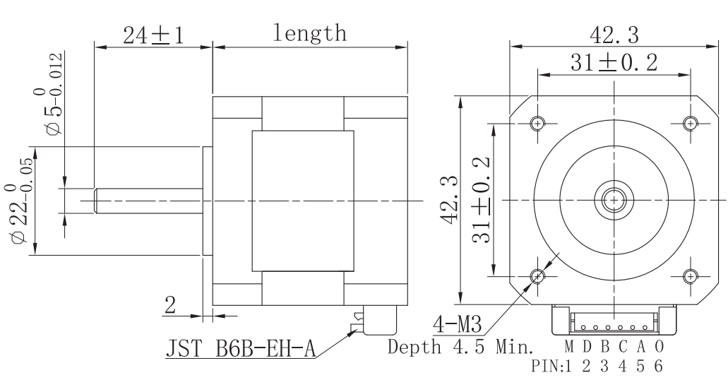
Motor size

image




接线图(Wiring Diagram)

image

矩频曲线 (Pull out torque curve)

imageimage

Download
FL42STC33-0956A 154.04 KB
FL42STC33-1334A 152.67 KB
FL42STC38-1206A 154.13 KB
FL42STC38-1684A 153.38 KB
FL42STC47-1206A 153.55 KB
FL42STC47-1684A 153.23 KB
FL42STC60-1206A 153.88 KB

Copyright 2023 Copyright Jiangsu Fulling Motor Technology Co., Ltd.