星空外围足球网(

28JMS40K-28STH
Product Stepper motor with gearbox

28JMS40K-28STH

1.8 ° 28mm, Nema 11, equipped with 28mm planetary gearbox stepper motor
option:
  • 28JMS40K-28STH
  • 28JMS40K-28STH
  • 28JMS40K-28STH
  • 28JMS40K-28STH

混合式步进行星齿轮减速电机  (内齿圈材质:金属)

Planetary Gear Stepping Motor  (Ring Gear Material: Metal)


FL28STH/28JMS40K

Φ28行星减速器,允许转矩范围:1.23N.m~4.0N.m

28mm Planetary Gearbox,Permissible Load Range: 1.2N.m~4.0N.m


行星齿轮减速器  Planetary Gearhead

内齿圈材料 Ring material金属 metal
输出轴轴承形式  Bearing at output滚动轴承Ball bearings
最大允许径向负载(离法兰10mm处)
Max. Radial load(10mm from flange)
100N
最大允许轴向负载 Max. shaft axial load50N
径向间隙(测量点尽量接近法兰)Radial play of shaft(near to flange)≤0.07 mm
轴向间隙 Axial play of shaft≤0.3 mm


FL28STH混合式步进电机性能  FL28STH Hybrid Stepping Motor Specifications

Model No.额定电压每相电流每相电阻每相电感保持转矩引出线数转动惯量重 量长度L1适配减速比

Rated VoltageCurrent/PhaseResistance/Phaselnductance/PhaseHoldingTorque# of LeadsRotor lnertiaWeightLength L1Max. Gear Ratio
单轴 Single ShaftVAΩmHkg.cm
g-m2kgmm
FL28STH45-0956A3.40.953.41.2750612x10-744.544.5≤1:189
FL28STH51-0956A4.40.954.61.8900618x10-750.550.5≤1:189


行星减速器性能  Planetary Gearbox Specifications

减 速 比   Reduction ratio3.715.181419275172100139189264369
 精确减速比   Accurate Reduction Ratio63/1757/113969/2893591/1873249/121250047/4913226233/3179204687/2057185193/1331538861/28571119000/42433661450/9929
减速级数 Number of gear trains1234
减速器长度(L2)  Length(L2) mm2936.14349.9
最大额定转矩 kg.cm Max. rated torque12204040
瞬间允许转矩 kg.cm Short time permissible torque4060120120
效 率 Efficiency %90%81%73%66%
背隙(无负载时)Backlash at no-load0.6°1.0°1.5°1.5°
重 量 Weight g7597119141


该款电机可以根据客户需求定制。

The motor can be designed &manufactured with customized request.



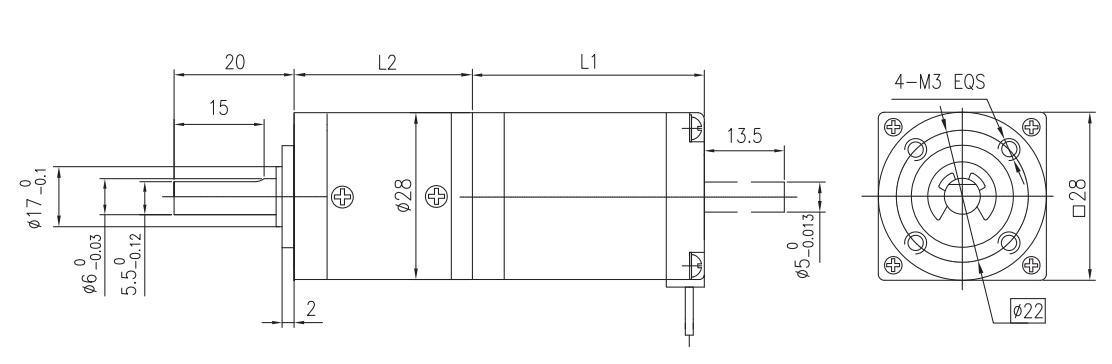
Motor size

image

Download

Copyright 2023 Copyright Jiangsu Fulling Motor Technology Co., Ltd.