Characteristics:
1. Adopting a dedicated 32-bit motor control chip
2. Input voltage 9VDC~30VDC, wide voltage input
3. Supports multiple speed regulation modes (PWM/analog)
4. Equipped with control functions such as start stop, forward and reverse rotation, braking, etc
5. High precision speed and current dual closed-loop control
6. Compatible with square wave control and FOC control methods.
7. It has protection functions such as overvoltage, undervoltage, overcurrent, overtemperature, and locked rotor
8. Ultra high cost-effectiveness, economically efficient
9. Acceptable customization
Typical applications:
Widely used in various small and medium-sized automation equipment and instruments, such as electronic processing equipment, 3C non-standard automation equipment, screw locking machines, wire stripping machines, winding machines, terminal machines, laser machines, marking machines, spray painting machines, small and medium-sized carving machines, automatic grabbing equipment, specialized CNC machine tools, packaging equipment and robots.
Product Overview:
It adopts a 32-bit dedicated motor control chip, with high integration, small size, and complete protection measures. The motor adopts a new PWM control technology, which enables brushless motor operation to have advantages such as high rotation, low vibration, low noise, and good stability.
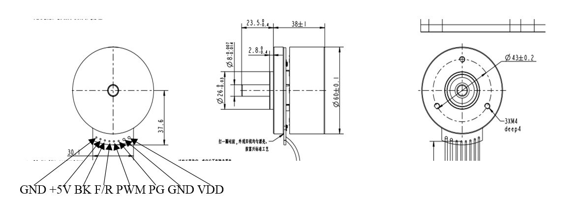
Control Port(B08B-PASK-1(LF)(SN) 8-bit pin)
Pin number | signal | function | Explanation |
1 | GND | Sensor power supply Ground | Sensor power supply ground, shared with main power supply ground |
2 | +5V | Sensor +5V power supply | Sensor +5V power supply, Output current <=30mA |
3 | BK | Brake signal | Invalid when suspended or connected to a high level (1.7V~24V) Connected to low-level brake effective (0V~0.8V) |
4 | F/R | Directional signal | CW\CCW High and low level polarity can be configured by software High level(1.7V~24V) Low level (0V~0.8V) |
5 | SV/PWM | Speed regulation signal | Analog speed control: 0.5V~4.5V, PWM speed regulation: Duty cycle polarity configurable 0~5% Full speed 5~95% Linear speed regulation 95~100% cease |
6 | PG | Speed signal | TTL-5V level,1 pulse /1 Antipolar / rotate |
7 | GND | Power input negative terminal | Negative pole of power input |
8 | VDD | Positive pole of power supply | Power input positive terminal,input voltage 9V~30Vdc |

Copyright 2023 Copyright Jiangsu Fulling Motor Technology Co., Ltd.