星空外围足球网(

FL35ST
Product 0.9 ° stepper motor

FL35ST

0.9 °, 35mm, NEMA 14 ST structure hybrid stepper motor
option:
  • FL35ST
  • FL35ST
  • FL35ST
  • FL35ST

特性概要(General specification)

项目(Item)

说明(Specifications)

步距角(Step Angle)

0.9°

步距角精度(Step Angle Accuracy)

±5% (整步无负载,full step, no load)

径向间隙( Radial Play)

0.02mm@400 g

轴向间隙( Axial Play)

0.08mm@400 g

最大径向负载(Max. radial force)

28N  距法兰20mm  (20mm from the flange)

最大轴向负载(Max. axial force)

10N  

介电强度(Dielectric Strength)

600VAC / 1S

绝缘电阻(Insulation Resistance)

100MΩ ,500VDC

环境温度(Ambient Temperature)

-20。C~+50。C

绝缘等级(Insulation Class)

Class B


电性能(Electrical specifications)

型号(Model No.)

Current

/Phase

每相

电流

Resistance

/Phase

每相

电阻

Inductance

/Phase

每相

电感

Holding

Torque

保持

转矩

Detent

Torque

定位

转矩

# of Leads

引出线数

Rotor

Inertia

转动惯量

Weight

重量

Length

机身

长度

Single shaft(单出轴)

A

Ω

mH

N.m

N.m

#

g-cm2

kg

mm

FL35ST20-1004MA

1.0

10.0

8.5

0.050

0.005

4

8

0.10

20±1

FL35ST26-0504MA

0.5

6.1

6.9

0.090

0.008

4

11

0.15

26±1

                       

该款电机可以根据客户需求定制。

The motor can be designed &manufactured with customized request.


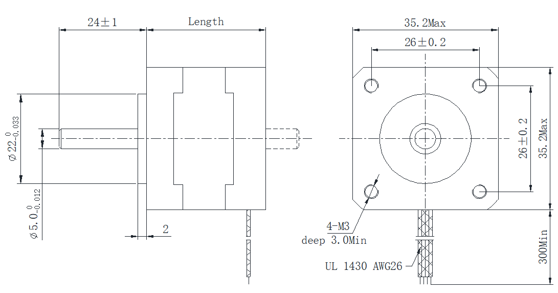
Motor size

image


接线图(Wiring Diagram)

 image


矩频曲线 (Pull out torque curve) 

image


Download
FL35ST20-1004MA 162.7 KB
FL35ST26-0504MA 162.98 KB

Copyright 2023 Copyright Jiangsu Fulling Motor Technology Co., Ltd.