星空外围足球网(

iSVD120C-48V-700-A14-001
Product Joint module

iSVD120C-48V-700-A14-001

Steady and Accurate, Light and Compact 120N.m integrated QDD motor module Motor body, reducer, and driver (double encoders) three-in-one, with a peak torque of 120N.m and a torque density of 85.72N.m/Kg, equipped with high-performance motor control and closed-loop temperature control algorithms.
option:
  • iSVD120C-48V-700-A14-001
  • iSVD120C-48V-700-A14-001
  • iSVD120C-48V-700-A14-001
  • iSVD120C-48V-700-A14-001

Electrical Specs

ItemSpec
Magnetic Encoder2 pcs
Rated Voltage48V
Voltage Range15-60V
Rated Output Power700w ±10%
Rated Torque40N.m
Peak Torque120N.m
Running DirectionCW/CCW
Temperature Range-20~50℃
Humidity Range5~85%
Storage Temperature Range-30~70℃
Insulation LevelClass B
No-load Speed200 rpm ± 10%
No-load Current0.7 Arms ±10%
Rated Load Speed167 rpm ± 10%
 Rated Load Phase Current27Apk ± 10%
Peak Phase Current90Apk ± 10%
Insulation Resistance/ Stator WindingDC 500VAC,100M 0hms
High Voltage Resistance/ Stator and   Casing600VAC, 1s, 2mA
Back-EMF16.9 Vrms/krpm ±10%
Line Resistance0.16Ω ± 10%
Torque Constant2.1N.m/Arms
Inductance0.211mH ±10%


Mechanical Specs

ItemSpec
Weight1420g
±20g
Pole42
Phase3
Drive MethodFOC
Reduction ratio9:01


Erformance Curves (TBD)

image


Max Overload

Load (N.m)Operating Time (s)
40rated
462500
70350
80160
12010

image

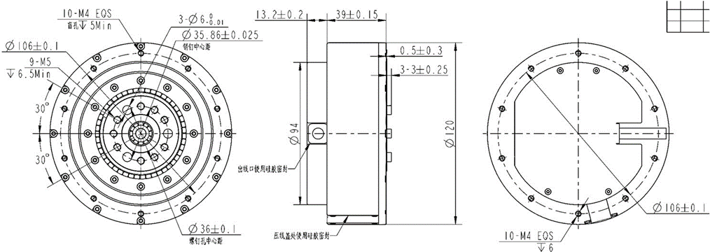
Motor size

image

Download

Copyright 2023 Copyright Jiangsu Fulling Motor Technology Co., Ltd.