项目(Item) | 说明(Specifications) |
步距角(Step Angle) | 0.9° |
步距角精度(Step Angle Accuracy) | ±5% (整步无负载,full step, no load) |
径向间隙( Radial Play) | 0.02mm@450 g |
轴向间隙( Axial Play) | 0.08mm@450 g |
最大径向负载(Max. radial force) | 28N 距法兰20mm (20mm from the flange) |
最大轴向负载(Max. axial force) | 10N |
介电强度(Dielectric Strength) | 600VAC / 1s |
绝缘电阻(Insulation Resistance) | 100MΩ ,500VDC |
环境温度(Ambient Temperature) | -20。C~+50。C |
绝缘等级(Insulation Class) | Class B |
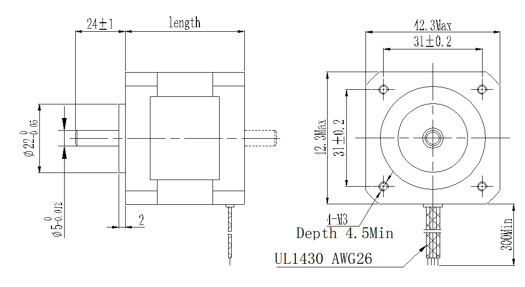
型号(Model No.) | Current /Phase 每相 电流 | Resistance /Phase 每相 电阻 | Inductance /Phase 每相 电感 | Holding Torque 保持 转矩 | Detent Torque 定位 转矩 | # of Leads 引出线数 | Rotor Inertia 转动惯量 | Weight 重量 | Length 机身 长度 |
Single shaft(单出轴) | A | Ω | mH | N.m | N.m | # | g-cm2 | kg | mm |
FL42STH33-0956MA | 0.95 | 4.2 | 4 | 0.158 | 0.020 | 6 | 35 | 200 | 33.5±1 |
FL42STH33-1334MA | 1.33 | 2.1 | 5.1 | 0.220 | 4 | ||||
FL42STH38-1206MA | 1.2 | 3.5 | 4.1 | 0.259 | 0.022 | 6 | 54 | 220 | 39.5±1 |
FL42STH38-1684MA | 1.68 | 1.8 | 4.1 | 0.330 | 4 | ||||
FL42STH47-1206MA | 1.2 | 3.3 | 4.9 | 0.317 | 0.025 | 6 | 68 | 250 | 47.5±1 |
FL42STH47-1684MA | 1.68 | 1.8 | 5.5 | 0.4 | 4 |
该款电机可以根据客户需求定制。
The motor can be designed &manufactured with customized request.




Copyright 2023 Copyright Jiangsu Fulling Motor Technology Co., Ltd.