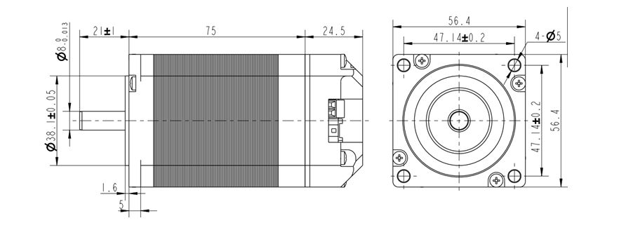
Characteristics:
1. Adopting a 32-bit motor control dedicated chip
2. Closed-loop vector control technology
3. Low speed ultra quiet, smooth current, suitable for various scenarios
4. Voltage level 12VDC~48VDC, supporting wide voltage input
5. Pulse signal level supports TTL 3.3V \ 5V, and supports common cathode and common anode connection methods
6. Control command maximum pulse frequency 250KHz
7. It has protection functions such as overvoltage, undervoltage, overcurrent, and overheating
8. Built in smooth micro subdivision technology
9. When the motor is stationary, the current automatically decays to reduce heat generation
10. Ultra high cost-effectiveness, cost-effective and efficient
11. Acceptable customization
Typical applications:
Widely used in various small and medium-sized automation equipment and instruments, such as electronic processing equipment, 3C non-standard automation equipment, screw locking machines, wire stripping machines, winding machines, terminal machines, laser machines, marking machines, spray painting machines, small and medium-sized carving machines, automatic grabbing equipment, specialized CNC machine tools, packaging equipment and robots.
Product Overview:
Adopting 32-bit ARM digital processing technology and built-in micro and intermediate frequency vibration suppression technology, effectively improving the smoothness of motor operation and reducing heat generation. Segmentation and current can be set through dialing, with a simple interface definition, committed to providing customers with a cost-effective all-in-one machine control solution.
Dial code setting:
Using a 6-digit DIP switch to set the minimum current and fractional value, the detailed description is as follows:

SW4 and SW5 set the minimum current of the driver
Current (RMS) | SW4 | SW5 |
0.5A | ON | ON |
1.0A | OFF | ON |
1.5A | ON | OFF |
2.0A | OFF | OFF |
Segmented dialing SW1, SW2, SW3: As shown in the dialing segmentation table below, customers can set the desired segmentation through dialing.
Pulse/rev | SW1 | SW2 | SW3 |
400 | ON | ON | ON |
800 | OFF | ON | ON |
1600 | ON | OFF | ON |
3200 | OFF | OFF | ON |
6400 | ON | ON | OFF |
12800 | OFF | ON | OFF |
25600 | ON | OFF | OFF |
51200 | OFF | OFF | OFF |
Control Port (B08B-PASK-1 (LF) (SN) 8-bit Pin)
Pin number | Signal | Function | Explanation |
1 | PU | pulse | Supports 3.3V and 5V levels, using higher levels requires external current limiting resistors |
2 | F/R | direction | Conduction refers to forward rotation, and cutoff refers to reverse rotation |
3 | MF | Enable | Conduction is enabled, cutoff is stopped |
4 | AR | Alarm clear | Conduction can clear fault signals |
5 | XCOM | Input signal common terminal | Supports common anode and common cathode wiring |
6 | ALM | Alarm output | OC gate output |
7 | STA | Motor operating status | High level normal, low level alarm |
8 | YCOM | Output signal common terminal | OC gate output |
Power Port (B06B-XASK-1(LF)(SN) 2-bit pin)
Pin number | Signal | Function Description |
1 | VDD | Power input positive terminal,input voltage 10V~50Vdc |
2 | GND | Power input negative terminal |

Copyright 2023 Copyright Jiangsu Fulling Motor Technology Co., Ltd.