星空外围足球网(

φ25 PM LINEAR STEPPING MOTOR
Product PM stepper motor

φ25 PM LINEAR STEPPING MOTOR

Fuxing stepper motors provide high-performance two-phase and three-phase hybrid stepper motors with various sizes and output torques, single polarity or bipolar control, and single or dual axis. The products are divided into standard type, torque enhanced type, high protection type, etc., which can fully meet the various application needs of different users.
option:
  • φ25 PM LINEAR STEPPING MOTOR
  • φ25 PM LINEAR STEPPING MOTOR
  • φ25 PM LINEAR STEPPING MOTOR
  • φ25 PM LINEAR STEPPING MOTOR

1. SPECIFICATIONS

Winding

Unipolar/Bipolar

Type

Captive,   Non-Captive, External

Step Angle


7.5

15

Voltage

V

5

12

5

12

Current/phase

mA

370

160

370

160

Resistance/Phase

Ω

13.5

70

13.5

70

Inductance/Phase

mH

12.5

65

9.5

47

Travel per step Avail

mm

0.0127

0.0254

0.0254

0.0508

0.0508

0.1016

NOTE:The motor can be designed with customized request

Screw diameter Optional ① 3.5 ② 4.77(mm)

Lead Optional ① 0.3048、0.6096、1.0、1.2192、2.0、2.4384、4.0、8.0......(mm);② 0.635、1.27、2.54、5.08、10.16 ......(mm)

Travel per step Avail =(Step Angle/360)* Leadmm


2. STEP SPEED AND THRUST CURVEimage


image

imageimage

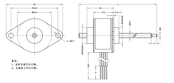
Motor size

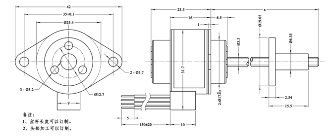
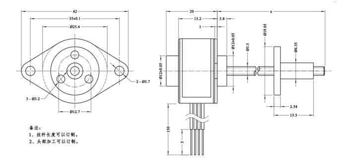
1. Available in three different shapes for Captive versionimage

image

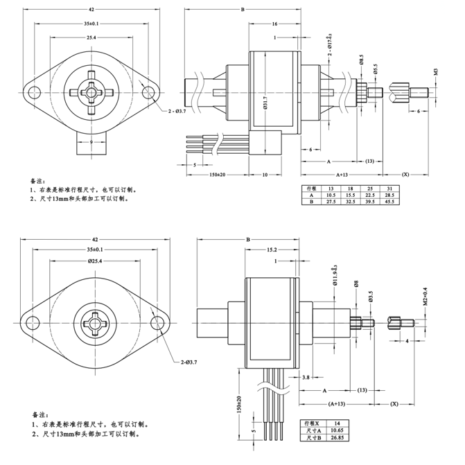
2. Available in two different shapes for Non-Captive versionimage

image

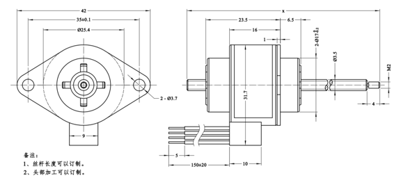
3. Available in two different shapes for External versionimage

image

Download

Copyright 2023 Copyright Jiangsu Fulling Motor Technology Co., Ltd.