项目(Item) | 说明(Specifications) |
步距角(Step Angle) | 1.8° |
步距角精度(Step Angle Accuracy) | ±5% (整步无负载,full step, no load) |
径向间隙( Radial Play) | 0.02mm@400 g |
轴向间隙( Axial Play) | 0.08mm@400 g |
最大径向负载(Max. radial force) | 28N 距法兰5mm (5mm from the flange) |
最大轴向负载(Max. axial force) | 7N |
介电强度(Dielectric Strength) | 600VAC / 1S |
绝缘电阻(Insulation Resistance) | 100MΩ ,500VDC |
环境温度(Ambient Temperature) | -20。C~+50。C |
绝缘等级(Insulation Class) | Class B |
型号(Model No.) | Current /Phase 每相 电流 | Resistance /Phase 每相 电阻 | Inductance /Phase 每相 电感 | Holding Torque 保持 转矩 | Detent Torque 定位 转矩 | # of Leads 引出线数 | Rotor Inertia 转动惯量 | Weight 重量 | Length 机身 长度 |
Single shaft(单出轴) | A | Ω | mH | N.m | N.m | # | g-cm2 | kg | mm |
FL28STH32-0674A | 0.67 | 5.6 | 3.4 | 0.060 | 0.005 | 4 | 9 | 0.11 | 32max |
FL28STH32-0956A | 0.95 | 2.8 | 1.0 | 0.043 | 0.005 | 6 | 9 | 0.11 | 32 max |
FL28STH45-0674A | 0.67 | 6.8 | 4.9 | 0.095 | 0.006 | 4 | 12 | 0.14 | 45 max |
FL28STH45-0956A | 0.95 | 3.4 | 1.2 | 0.075 | 0.006 | 6 | 12 | 0.14 | 45 max |
FL28STH51-0674A | 0.67 | 9.2 | 7.2 | 0.120 | 0.008 | 4 | 18 | 0.20 | 51 max |
FL28STH51-0956A | 0.95 | 4.6 | 1.8 | 0.090 | 0.008 | 6 | 18 | 0.20 | 51 max |
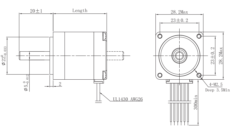
该款电机可以根据客户需求定制。
The motor can be designed &manufactured with customized request.




Copyright 2023 Copyright Jiangsu Fulling Motor Technology Co., Ltd.