绕组连接方式 ( Winding Type ) | 星形 ( Star connection) |
霍尔分布角度 ( Hall Effect Angle ) | 120度电角度 ( Electrical Angle of 120 degree) |
径向间隙 ( Radial Play ) | 0.02mm@450g |
轴向间隙 ( Axial Play ) | 0.08mm@450g |
最大径向负载 ( Max radial force ) | 110N 距法兰10mm ( 10mm From the flange) |
最大轴向负载 ( Max axial force ) | 45N |
介电强度 ( Dielectric Strength ) | 600VAC/1S |
绝缘电阻 ( Insulation Resistance ) | 100MΩ, 500VDC |
环境温度 ( Ambient Temperature ) | -20°C ~ +50°C |
绝缘等级 (Insulation Class) | Class B |
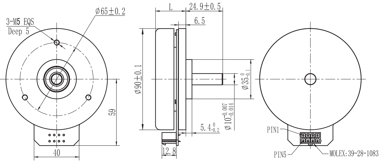
接插件型号Connector Model | Pin位Pin number | 功能Functions |
MOLEX:39-28-1083 | PIN3 | 霍尔电源正 ( Vcc ) |
PIN1 | 霍尔 U ( Hu ) | |
PIN2 | 霍尔 V ( Hv ) | |
PIN5 | 霍尔 W ( Hw ) | |
PIN6 | 霍尔电源负 ( GND ) | |
PIN7 | U相 ( Phase U ) | |
PIN8 | V相 ( Phase V ) | |
PIN4 | W相 ( Phase W ) |
电性能 (Electrical Specifications)
单 位 (Unit) | FL90BLW27-24V-27130A | FL90BLW40-48V-16170A | |
极数 ( Number of poles ) | 22 | ||
相数 ( Number of phases ) | 3 | ||
额定电压 ( Rated voltage ) | VDC | 24 | 48 |
额定转矩 ( Rated torque) | N.m | 0.457 | 0.964 |
连续运行转矩 ( Continuous stall torque) | N.m | 0.548 | 1.157 |
额定速度 ( Rated speed ) | RPM | 2700 | 1670 |
额定功率 ( Rated power ) | W | 130 | 169 |
峰值转矩 ( Peak torque ) | N.m | 1.6 | 3 |
峰值电流 ( Peak current ) | A | 23 | 13 |
线电阻 ( Line to line resistance ) | ohms@20℃ | 0.21 | 0.65 |
线电感 ( Line to line inductance ) | mH | 0.19 | 0.9 |
转矩常数 ( Torque constant ) | mN.m/A | 70.2 | 241 |
反电势 ( Back EMF ) | Vrms/KRPM | 5.2 | 17.9 |
转动惯量 ( Rotor inertia ) | g.cm2 | 3000 | 5000 |
机身长度 ( Motor length ) L | mm | 27 | 40 |
重量 ( Weight ) | Kg | 0.6 | 1 |
该款电机可以根据客户需求定制。
The motor can be designed &manufactured with customized request.

Copyright 2023 Copyright Jiangsu Fulling Motor Technology Co., Ltd.