星空外围足球网(

FL28ST10
Product 2 phase stepper motor

FL28ST10

1.8 ° 28mm, Nema 11, ST structure, ultra-thin stepper motor
option:
  • FL28ST10
  • FL28ST10
  • FL28ST10
  • FL28ST10

特性概要(General specification)

项目(Item)

说明(Specifications)

步距角(Step Angle)

1.8°

步距角精度(Step Angle Accuracy)

±5% (整步无负载,full step, no load)

径向间隙( Radial Play)

0.02mm@400 g

轴向间隙( Axial Play)

0.08mm@400 g

最大径向负载(Max. radial force)

10N  距法兰5mm  (5mm from the flange)

最大轴向负载(Max. axial force)

2N  

介电强度(Dielectric Strength)

600VAC / 1S

绝缘电阻(Insulation Resistance)

100MΩ ,500VDC

环境温度(Ambient Temperature)

-20。C~+50。C

绝缘等级(Insulation Class)

Class B


电性能(Electrical specifications)

型号(Model No.)

Current

/Phase

每相

电流

Resistance

/Phase

每相

电阻

Inductance

/Phase

每相

电感

Holding

Torque

保持

转矩

Detent

Torque

定位

转矩

# of Leads

引出线数

Rotor

Inertia

转动惯量

Weight

重量

Length

机身

长度

Single shaft(单出轴)

A

Ω

mH

N.m

N.m

#

g-cm2

kg

mm

FL28ST10-0504A

0.5

3.7

0.88

0.01

0.001

4

1.7

0.028

9.4 


该款电机可以根据客户需求定制。

The motor can be designed &manufactured with customized request.


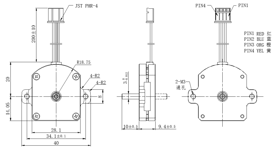
Motor size

image


接线图(Wiring Diagram)

1687317957375


Download
FL28ST10-0504A 176.37 KB

Copyright 2023 Copyright Jiangsu Fulling Motor Technology Co., Ltd.